next up previous
Next: 2 Amplifier Up: Audio Power Amplifier Preliminary Previous: Audio Power Amplifier Preliminary

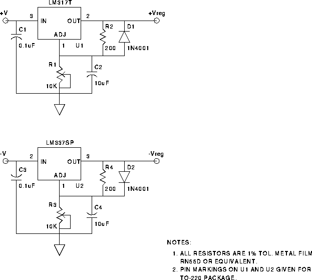
1 Low Current Line Regulation

  
Figure 1: Regulators for the low current section.



Mike Andrews
Tue Mar 25 02:02:55 EST 1997